


进给机构是以齿条与齿轮的传动方式为之,进给速度稳定,进给速度与行程的调整亦非常容易。
折动面均经硬化及精密研磨,刚性与耐久性非常良好。
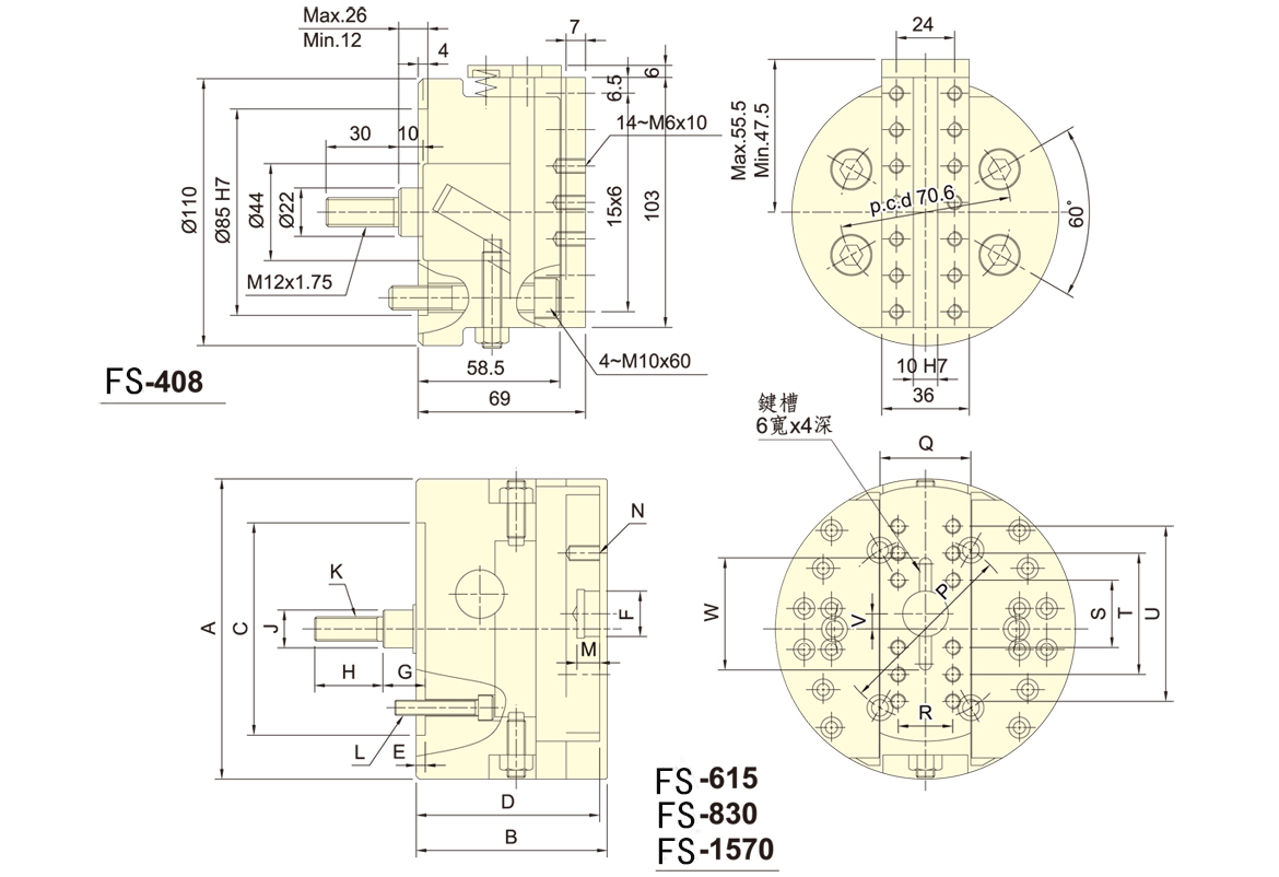
与行控型回转油压缸搭配使用。





* 保留规格修改的权利
| 型号 |
楔心行程(直径) (mm) |
滑座行程(直径) (mm) |
最高回转速 min-1(r.p.m.) |
最大进给速度 mm/min. |
重量 (kg) |
適用油压缸 | 最大使用压力 (kgf/cm2) |
|---|---|---|---|---|---|---|---|
| FS-632 | 20 | 32 | 3200 | 300 | 13.6 | RS-1030N | 2.4(24) |
| FS-840 | 25 | 40 | 2500 | 240 | 30 | RS-1030N | 3.0(30) |
| FS1060 | 35 | 60 | 1800 | 200 | 41.5 | RS-1040N | 3.0(30) |
| 型号 | A | B | C(H7) | D | E | F | G max. | G min. | H | J | K |
|---|---|---|---|---|---|---|---|---|---|---|---|
| FS-632 | 168 | 93 | 140 | 104.8 | 32 | 76 | 31 | 11 | 2 | 36 | M16x2.0 |
| FS-840 | 215 | 109 | 170 | 133.4 | 38 | 96.5 | 32.5 | 7.5 | 2 | 36 | M20x2.5 |
| FS-1060 | 254 | 123 | 220 | 171.4 | 38 | 110.5 | 32.5 | -2.5 | 4 | 36 | M20x2.5 |
| 型号 | L | M | N | P | Q | R | S | T | U | V | W(H8) | Y |
|---|---|---|---|---|---|---|---|---|---|---|---|---|
| FS-632 | 6~M10x75 | 188 | 70 | 40 | 25 | 10 | 32 | M8x15 | 10 | 32 | 6 | 4 |
| FS-840 | 6~M12x85 | 238 | 90 | 60 | 42 | 12 | 45 | M10x15 | 12 | 45 | 10 | 6 |
| FS-1060 | 6~M16x125 | 286 | 90 | 65 | 46 | 15 | 50 | M10x15 | 12 | 50 | 10 | 6 |