我们专注于卡盘的设计、制造和销售,用十几年的专业精神,让进口卡盘连续多年在国内的销售量排名第一位!
此处可以填写有关于我司最新动态的简介,可以跟随内容更新手动更换,也可以写一段可以长期放置的语句。
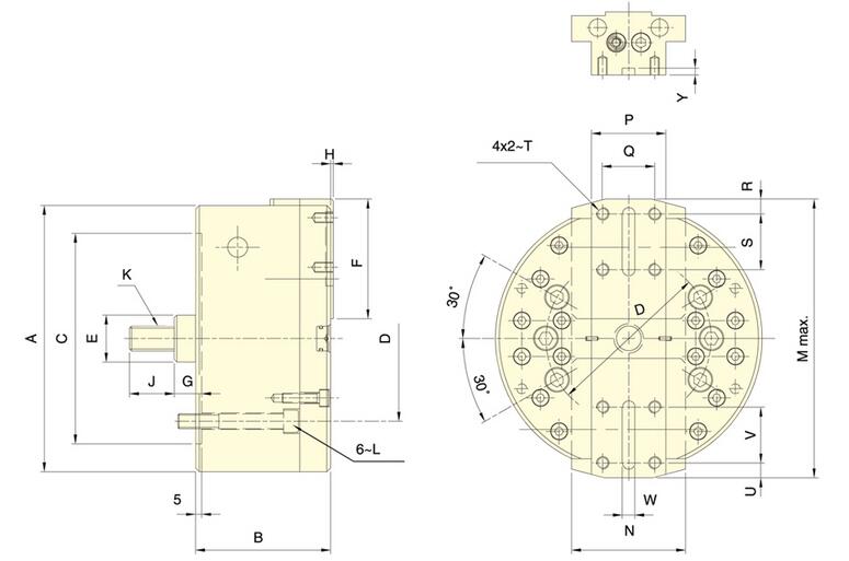
进给机构是以曲柄传动方式为之,进给速度稳定,进给速度与行程的调整亦非常容易。
折动面均经硬化及精密研磨,刚性与耐久性非常良好。
与行控型回转油压缸搭配使用。