


N-200A型夾頭是依 ASA B5.9 A型主軸標準而設計。







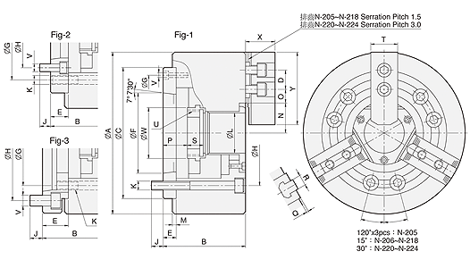
|
型式 尺寸 |
A | B |
C (H6) |
D | E | F | G | H | J | K | L | M |
N max. |
O max. |
O min. |
P max. |
P min. |
Q | R | S | T |
U max. |
v | w | X | Y | 參考圖 |
| N-205A4 | 135 | 71 | 110 | 14 | 15 | 63.513 | 96 | 82.55 | 15.5 | 3-M10 | 33 | 4 | 26.5 | 19.75 | 7.75 | 16 | 6 | 2 | 10 | 20 | 25 | M40x1.5 | 3-M6 | 45 | 31 | 54 | Fig-1 |
| N-205A5 | 135 | 88 | 110 | 14 | 32 | 82.563 | 82.55 | 104.78 | 14 | 3-M10 | 33 | 4 | 26.5 | 19.75 | 7.75 | 33 | 23 | 2 | 10 | 20 | 25 | M40x1.5 | 6-M10 | 45 | 31 | 54 | Fig-3 |
| N-206A4 | 169 | 96 | 140 | 20 | 20 | 63.513 | 104.78 | 82.55 | 16 | 6-M10 | 45 | 5 | 32 | 22.75 | 9.25 | 26 | 14 | 2 | 12 | 19 | 31 | M55x2 | 6-M10 | 60 | 37 | 73 | Fig-2 |
| N-206A5 | 169 | 91 | 140 | 20 | 15 | 82.563 | 116 | 104.78 | 16 | 6-M10 | 45 | 5 | 32 | 22.75 | 9.25 | 26 | 14 | 2 | 12 | 19 | 31 | M55x2 | 3-M6 | 60 | 37 | 73 | Fig-1 |
| N-206A6 | 169 | 111 | 140 | 20 | 35 | 106.375 | 104.78 | 133.35 | 16 | 6-M10 | 45 | 5 | 32 | 22.75 | 9.25 | 46 | 34 | 2 | 12 | 19 | 31 | M55x2 | 6-M12 | 60 | 37 | 73 | Fig-3 |
| N-208A5 | 210 | 109 | 170 | 25 | 23 | 82.563 | 133.35 | 104.78 | 13 | 6-M12 | 52 | 5 | 38.7 | 29.75 | 11.75 | 37.5 | 21.5 | 2 | 14 | 20.5 | 35 | M60x2 | 6-M10 | 66 | 38 | 95 | Fig-2 |
| N-208A6 | 210 | 103 | 170 | 25 | 17 | 106.375 | 150 | 133.35 | 18 | 6-M12 | 52 | 5 | 38.7 | 29.75 | 11.75 | 31.5 | 15.5 | 2 | 14 | 20.5 | 35 | M60x2 | 3-M6 | 66 | 38 | 95 | Fig-1 |
| N-208A8 | 210 | 126 | 170 | 25 | 40 | 139.719 | 133.35 | 171.45 | 24 | 6-M12 | 52 | 5 | 38.7 | 29.75 | 11.75 | 54.5 | 38.5 | 2 | 14 | 20.5 | 35 | M60x2 | 6-M16 | 66 | 38 | 95 | Fig-3 |
| N-210A6 | 254 | 120 | 220 | 30 | 25 | 106.375 | 171.45 | 133.35 | 18 | 6-M16 | 75 | 5 | 51 | 33.75 | 14.25 | 33.5 | 14.5 | 2 | 16 | 25 | 40 | M85x2 | 6-M12 | 94 | 43 | 110 | Fig-2 |
| N-210A8 | 254 | 113 | 220 | 30 | 18 | 139.719 | 190 | 171.45 | 24 | 6-M16 | 75 | 5 | 51 | 33.75 | 14.25 | 26.5 | 7.5 | 2 | 16 | 25 | 40 | M85x2 | 3-M8 | 94 | 43 | 110 | Fig-1 |
| N-210A11 | 254 | 145 | 220 | 30 | 50 | 196.869 | 171.45 | 235 | 28 | 6-M16 | 75 | 5 | 51 | 33.75 | 14.25 | 58.5 | 39.5 | 2 | 16 | 25 | 40 | M85x2 | 6-M20 | 94 | 43 | 110 | Fig-3 |
| N-212A6 | 304 | 129 | 220 | 30 | 25 | 106.375 | 171.45 | 133.35 | 18 | 6-M16 | 91 | 6 | 61.3 | 45.75 | 15.75 | 33 | 10 | 2 | 21 | 28 | 50 | M100x2 | 6-M12 | 108 | 51 | 130 | Fig-2 |
| N-212A8 | 304 | 122 | 220 | 30 | 18 | 139.719 | 190 | 171.45 | 25 | 6-M16 | 91 | 6 | 61.3 | 45.75 | 15.75 | 26 | 3 | 2 | 21 | 28 | 50 | M100x2 | 3-M8 | 108 | 51 | 130 | Fig-1 |
| N-212A11 | 304 | 154 | 220 | 30 | 50 | 196.869 | 171.45 | 235 | 28 | 6-M16 | 91 | 6 | 61.3 | 45.75 | 15.75 | 58 | 35 | 2 | 21 | 28 | 50 | M100x2 | 6-M20 | 108 | 51 | 130 | Fig-3 |
| N-215A8 | 381 | 160 | 300 | 43 | 33 | 139.719 | 235 | 171.45 | 24 | 6-M20 | 117.5 | 6 | 82 | 45.25 | 15.25 | 40 | 17 | 5 | 22 | 43 | 62 | M130x2 | 6-M16 | 139 | 66 | 165 | Fig-2 |
| N-215A11 | 381 | 149 | 300 | 43 | 22 | 196.869 | 260 | 235 | 28 | 6-M20 | 117.5 | 6 | 82 | 45.25 | 15.25 | 29 | 6 | 5 | 22 | 43 | 62 | M130x2 | 3-M20 | 139 | 66 | 165 | Fig-1 |
| N-215A15 | 381 | 184 | 300 | 43 | 57 | 285.775 | 235 | 330.2 | 24 | 6-M20 | 117.5 | 6 | 82 | 45.25 | 15.25 | 64 | 41 | 5 | 22 | 43 | 62 | M130x2 | 6-M24 | 139 | 66 | 165 | Fig-3 |
| N-218A8 | 450 | 160 | 300 | 43 | 33 | 139.719 | 235 | 171.45 | 24 | 6-M20 | 117.5 | 6 | 82 | 79.75 | 15.25 | 40 | 6 | 5 | 22 | 43 | 62 | M130x2 | 6-M16 | 139 | 66 | 165 | Fig-2 |
| N-218A11 | 450 | 149 | 300 | 43 | 22 | 196.869 | 260 | 235 | 28 | 6-M20 | 117.5 | 6 | 82 | 79.75 | 15.25 | 29 | 6 | 5 | 22 | 43 | 62 | M130x2 | 3-M10 | 139 | 66 | 165 | Fig-1 |
| N-218A15 | 450 | 184 | 300 | 43 | 57 | 285.775 | 235 | 330.2 | 24 | 6-M20 | 117.5 | 6 | 82 | 79.75 | 15.25 | 64 | 41 | 5 | 22 | 43 | 62 | M130x2 | 6-M24 | 139 | 66 | 165 | Fig-3 |
| N-220A11 | 510 | 169 | 380 | 60 | 41 | 196.869 | 330.2 | 235 | 30 | 6-M24 | 180 | 6 | 112.5 | 60.5 | 24.5 | 52 | 29 | 5 | 25 | 38 | 65 | M190x3 | 6-M20 | 206 | 73 | 180 | Fig-2 |
| N-220A15 | 510 | 155 | 380 | 60 | 27 | 285.775 | 330.2 | 330.2 | 33 | 6-M24 | 180 | 6 | 112.5 | 60.5 | 24.5 | 38 | 15 | 5 | 25 | 38 | 65 | M190x3 | 3-M12 | 206 | 73 | 180 | Fig-1 |
| N-224A11 | 610 | 186 | 520 | 60 | 45 | 196.869 | 463.6 | 235 | 28 | 6-M24 | 205 | 6 | 139.9 | 87.5 | 24.5 | 61 | 35 | 5 | 25 | 38 | 65 | M215x3 | 6-M20 | 230 | 73 | 180 | Fig-2 |
| N-224A15 | 610 | 183 | 520 | 60 | 42 | 285.775 | 463.6 | 330.2 | 33 | 6-M24 | 205 | 6 | 139.9 | 87.5 | 24.5 | 58 | 32 | 5 | 25 | 38 | 65 | M215x3 | 6-M24 | 230 | 73 | 180 | Fig-2 |
| N-224A20 | 610 | 166 | 520 | 60 | 25 | 412.775 | 463.6 | 463.6 | 35 | 6-M24 | 205 | 6 | 139.9 | 87.5 | 24.5 | 41 | 15 | 5 | 25 | 38 | 65 | M215x3 | 3-M10 | 230 | 73 | 180 | Fig-1 |
| N-232A11 | 800 | 189 | 520 | 60 | 45 | 196.869 | 463.6 | 235 | 28 | 6-M24 | 230 | 6 | 162 | 153.5 | 24.5 | 61 | 27 | 5 | 25 | 38 | 64 | M250x3 | 6-M20 | 262 | 73 | 180 | Fig-2 |
| N-232A15 | 800 | 186 | 520 | 60 | 42 | 285.775 | 469.6 | 330.2 | 32.5 | 6-M24 | 230 | 6 | 162 | 153.5 | 24.5 | 58 | 24 | 5 | 25 | 38 | 64 | M250x3 | 6-M24 | 262 | 73 | 180 | Fig-2 |
| N-232A20 | 800 | 169 | 520 | 60 | 25 | 412.775 | 463.6 | 463.6 | 35 | 6-M24 | 230 | 6 | 162 | 153.5 | 24.5 | 41 | 7 | 5 | 25 | 38 | 64 | M250x3 | 3-M10 | 262 | 73 | 180 | Fig-1 |