我们专注于卡盘的设计、制造和销售,用十几年的专业精神,让进口卡盘连续多年在国内的销售量排名第一位!
此处可以填写有关于我司最新动态的简介,可以跟随内容更新手动更换,也可以写一段可以长期放置的语句。
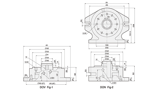
適用於立式、銑削與鑽孔工作。
立臥式中空油壓夾頭具有貫通孔徑,可做長工件夾持,並且可做臥式加工工作。