我们专注于卡盘的设计、制造和销售,用十几年的专业精神,让进口卡盘连续多年在国内的销售量排名第一位!
此处可以填写有关于我司最新动态的简介,可以跟随内容更新手动更换,也可以写一段可以长期放置的语句。
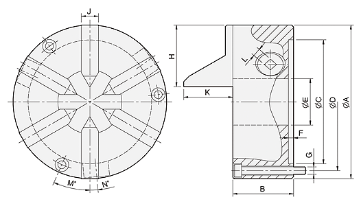
鉆頭、端銑刀、TAP等,在工具磨床上作夾持研磨,使用此型夾頭最適宜。
大孔徑設計,使穿心工件作業更廣泛。
超薄管件的把持,真圓精度準確。
本體材質採米漢納鑄鐵,適用於高速迴轉;且具高於一般材質3倍之耐 用性。