我们专注于卡盘的设计、制造和销售,用十几年的专业精神,让进口卡盘连续多年在国内的销售量排名第一位!
此处可以填写有关于我司最新动态的简介,可以跟随内容更新手动更换,也可以写一段可以长期放置的语句。
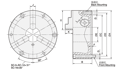
正、反爪,可以換使用。
適合使用於大量工作的生產作業,具經濟性及耐用性。
精度0.03mm (0.0012”) T.I.R.。
本體材質採米漢納鑄鐵,適用於高速迴轉;且具高於一般材質3倍之耐用性。