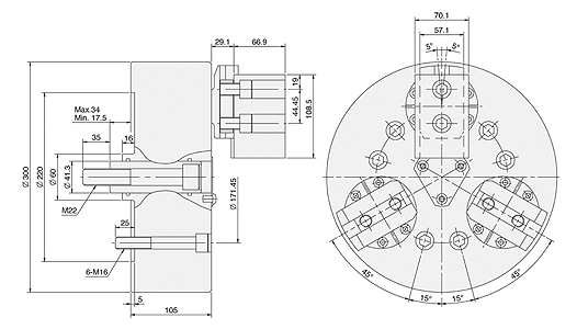
BL 三爪搖擺式夾頭
    发布时间: 2016-10-20 17:36    

可引入加工物並夾持,爪齒為夾持,拉近兩段動作,故可將加工物確實吸附於夾頭前面的定位器上,維持安定夾持狀態。

可做外徑夾持與內徑夾持,經由簡單操作可以靈活切換外徑夾持與內徑夾持。

可夾持推拔部品,本產品可確實夾持具有撥模斜度的鑄鍛製品的黑色表皮面,故加工物夾持部份可省略取捨加工的手續(最大可夾持到20°推拔)。

爪齒可做搖晃運動,爪齒可依照部位做搖晃運動,故能穩定夾持(單側最大可以到5°)。

具有優異的防塵性,本品與既有的一般夾頭不同,在結構上具有防塵性,特別是在鎖定臂(lock arm)部份設有防塵套,可防止鐵屑侵入


BL 三爪搖擺式夾頭