我们专注于卡盘的设计、制造和销售,用十几年的专业精神,让进口卡盘连续多年在国内的销售量排名第一位!
此处可以填写有关于我司最新动态的简介,可以跟随内容更新手动更换,也可以写一段可以长期放置的语句。
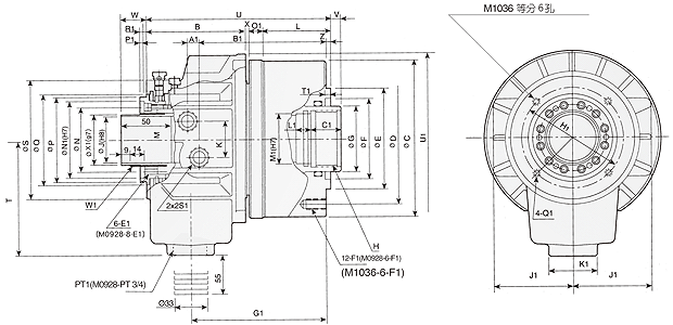
小型輕量:比起傳統的製品,實現小型(MAX 95mm短縮),輕量(MAX 4.5kg減輕化),高速迴轉時的性能更穩定、更減輕機械的負擔。
更大的貫通孔:比起以往的製品約有提高20%的貫通孔,可使機械的能力充分的活用。
安全構造:藉止回閥的內藏保持推力的構造。