我们专注于卡盘的设计、制造和销售,用十几年的专业精神,让进口卡盘连续多年在国内的销售量排名第一位!
此处可以填写有关于我司最新动态的简介,可以跟随内容更新手动更换,也可以写一段可以长期放置的语句。
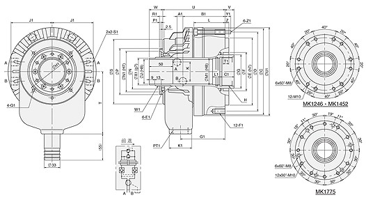
小型輕量:長度縮短30%,高速旋轉時的性能更穩定,減輕主軸的負載。
安全構造,內附逆止閥機構,確保異常斷電時,壓力立即保持。
新型式,安裝時可由後方以螺絲固鎖定。