首页
供应产品
标准卡盘
特殊卡盘
气动卡盘
专机夹具
回转油压缸
手动卡盘
卡盘配件
大通空动力卡盘(CAH)
♦
速度快
♦
重量轻
♦
耐磨损
♦
夹紧力强
大通空回转油压缸
(YAH)
♦
保障安全
♦
动力强大
♦
便于检测和维修
♦
防泄漏设计(专利:0172805
)
客户服务
客户留言
产品视频
解决方案
企业店
关于我们
公司简介
我们专注于卡盘的设计、制造和销售,用十几年的专业精神,让进口卡盘连续多年在国内的销售量排名第一
位!
最新动态
此处可以填写有关于我司最新动态的简介,可以跟随内容更新手动更换,也可以写一段可以长期放置的语句。
联系我们
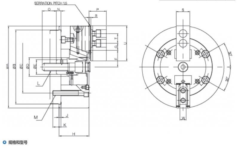
CASTL中实两爪长行程动力卡盘
发布时间: 2016-12-27 15:03
商品信息
上一个:
CASL爪中实型长行......
下一个:
SM-SBL万能球锁......
AUTOSANLIO
标准卡盘
特殊卡盘
空油压回转缸
气动卡盘
专机夹具
卡盘配件
SEOAM
卡盘
气缸
特殊卡盘
亿川
最新产品
手动夹头
油压夹头
筒夹夹头
气压夹头
回转油压缸
软硬爪
其他产品
40