我们专注于卡盘的设计、制造和销售,用十几年的专业精神,让进口卡盘连续多年在国内的销售量排名第一位!
此处可以填写有关于我司最新动态的简介,可以跟随内容更新手动更换,也可以写一段可以长期放置的语句。
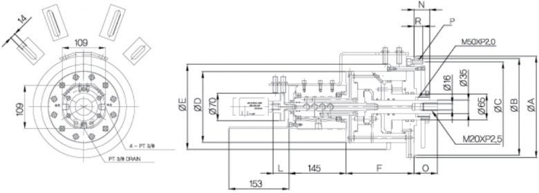
特征 1·这个油缸是双活塞,双活塞独立运转
2·有一个活塞是主要夹紧工件时使用,另一个活塞使用在辅助夹紧或定心或排出工件等