我们专注于卡盘的设计、制造和销售,用十几年的专业精神,让进口卡盘连续多年在国内的销售量排名第一位!
此处可以填写有关于我司最新动态的简介,可以跟随内容更新手动更换,也可以写一段可以长期放置的语句。
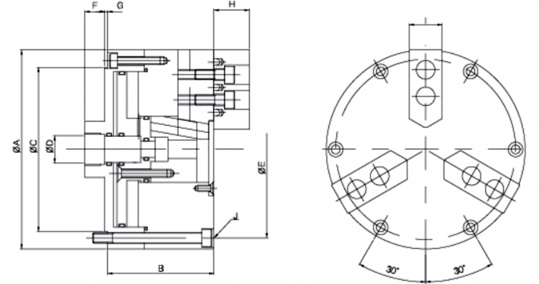
特征 1· 气动卡盘是主要加工有色金属和陶瓷或者更容易变形的工件,并且卡盘内部装置了气缸
2·可以获得比液压卡盘更高的精密度