我们专注于卡盘的设计、制造和销售,用十几年的专业精神,让进口卡盘连续多年在国内的销售量排名第一位!
此处可以填写有关于我司最新动态的简介,可以跟随内容更新手动更换,也可以写一段可以长期放置的语句。
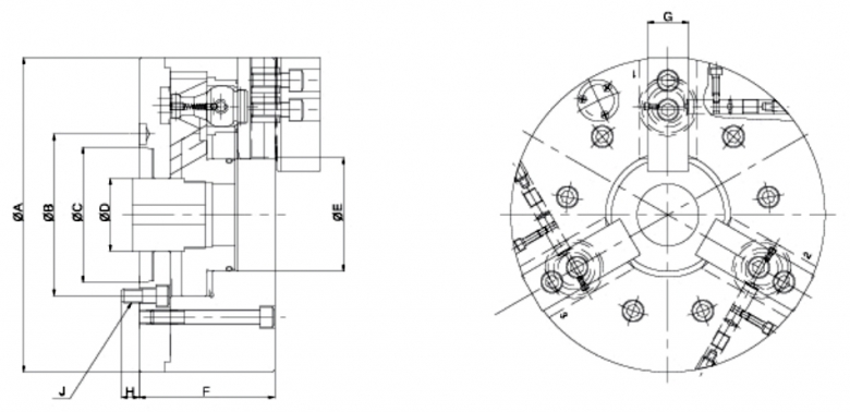
特征 1·卡爪的更换时。不需要拆卸螺栓 因此一分钟可以完成单只卡爪的更换
2·高速回转的时候也不会出现因爪子重量引起夹紧力的损失,可以稳定的旋转